
NAD行星齒輪減速機為漸開線直齒圓柱齒輪行星減速器。主要用于冶金、礦山、運輸、建材、能源、交通等。其工作條件如下:規格為200~800,高速軸轉速不大于1500r/min;規格為900~1120,高速軸轉速不大于1000r/min;規格為1250~1600,高速軸轉速不大于750r/min;規格為1800~2000,高速軸轉速不大于600r/min;齒輪圓周速度不大于15~20m/s;工作環境溫度應為-40~+45℃;可正反兩向運轉。 減速器的代號和標記方法
減速器的代號包括:型號、級別、聯接型式、規格代號、規格、傳動比、裝配型式、標準號。
其標記符號如下:
N-NGW(N-內嚙合、G-公用齒輪、W-外嚙合)型;
A-單級行星齒輪減速器,B-兩級行星齒輪減速器,C-三級行星齒輪減速器;
Z-定軸圓柱齒輪,S-螺旋錐齒輪,D-底座聯接,F-法蘭聯接,L-立式行星減速器。
 
| NAD行星齒輪減速機具體型號 |
| NAD200行星齒輪減速機、NAD224行星減速機、NAD250行星齒輪箱、NAD280行星減速器、NAD315行星齒輪減速機、NAD355、NAD400、NAD450、NAD500、NAD560、NAD560、NAD630、NAD710、NAD800、NAD900、NAD1000、NAD1120、NAD1250、NAD1400、NAD1600、NAD1800、NAD2000、 NAF200、NAF224、NAF250、NAF280、NAF315、NAF355、NAF400、NAF450、NAF500、NAF560 |
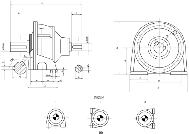
外形及安裝尺寸

|
規格代號 |
型號
規格 |
公稱
傳動
比i |
外形及中心高 |
軸伸 |
地腳尺寸 |
質量(kg) |
潤滑油量(L) |
|
L |
B |
H |
H0 |
R |
d |
D |
l1 |
l2 |
t1 |
b1 |
t2 |
b2 |
L1 |
L0 |
n |
m |
h |
B1 |
C |
d1 |
|
1 |
NAD
200 |
4~5.6 |
540
540 |
355 |
345 |
180 |
165 |
50
40 |
60 |
82
82 |
105 |
53.5
43 |
14
12 |
64 |
18 |
220 |
25 |
90 |
20 |
18 |
280 |
90 |
18 |
85 |
2 |
|
6.3~9 |
|
2 |
NAD
224 |
4~5.6 |
610
610 |
400 |
385 |
200 |
185 |
55
45 |
70 |
82
82 |
105 |
59
48.5 |
16
14 |
74.5 |
20 |
240 |
30 |
95 |
25 |
20 |
310 |
105 |
20 |
120 |
3 |
|
6.3~9 |
|
3 |
NAD
250 |
4~5.6 |
680
657 |
450 |
435 |
220 |
215 |
60
50 |
80 |
105
82 |
130 |
64
53.5 |
18
14 |
85 |
22 |
290 |
30 |
120 |
25 |
20 |
360 |
120 |
20 |
160 |
4 |
|
6.3~9 |
|
4 |
NAD
280 |
4~5.6 |
750
727 |
500 |
465 |
235 |
230 |
65
55 |
100 |
105
82 |
165 |
69
59 |
18
16 |
106 |
28 |
300 |
35 |
120 |
30 |
23 |
410 |
130 |
22 |
230 |
6 |
|
6.3~9 |
|
5 |
NAD
315 |
4~5.6 |
800
800 |
560 |
525 |
265 |
260 |
75
60 |
120 |
105
105 |
165 |
79.5
64 |
20
18 |
127 |
32 |
320 |
35 |
130 |
30 |
25 |
470 |
140 |
22 |
360 |
8 |
|
6.3~9 |
|
6 |
NAD
355 |
4~5.6 |
895
875 |
630 |
590 |
300 |
290 |
85
65 |
140 |
130
105 |
200 |
90
69 |
22
18 |
148 |
36 |
380 |
38 |
155 |
35 |
28 |
520 |
170 |
26 |
420 |
10 |
|
6.3~9 |
|
7 |
NAD
400 |
4~5.6 |
979
954 |
710 |
660 |
335 |
325 |
95
75 |
150 |
130
105 |
200 |
100
79.5 |
25
20 |
158 |
36 |
400 |
51 |
165 |
35 |
35 |
600 |
210 |
26 |
547 |
14 |
|
6.3~9 |
|
8 |
NAD
450 |
4~5.6 |
1135
1100 |
800 |
745 |
375 |
370 |
110
80 |
170 |
165
130 |
240 |
116
85 |
28
22 |
179 |
40 |
460 |
60 |
180 |
50 |
35 |
670 |
220 |
33 |
755 |
20 |
|
6.3~9 |
|
9 |
NAD
500 |
4~5.6 |
1250
1215 |
900 |
835 |
425 |
410 |
120
90 |
200 |
175
130 |
280 |
127
95 |
32
25 |
210 |
45 |
500 |
80 |
200 |
50 |
40 |
770 |
240 |
33 |
1095 |
26 |
|
6.3~9 |
|
10 |
NAD
560 |
4~5.6 |
1355
1320 |
1020 |
950 |
480 |
470 |
130
100 |
220 |
210
115 |
280 |
137
106 |
32
28 |
231 |
50 |
580 |
78.5 |
230 |
60 |
40 |
880 |
300 |
38 |
1510 |
34 |
|
6.3~9 |
|
規格代號 |
型號規格 |
公稱傳動 比i |
外形及中心高 |
軸伸 |
地腳尺寸 |
質量(kg) |
潤滑油量(L) |
|
L |
B |
H |
H0 |
R |
d |
D |
l1 |
l2 |
t1 |
b1 |
t2 |
b2 |
L2 |
L0 |
L1 |
m |
h |
B2 |
B1 |
d1 |
|
11 |
NAD
560 |
4~5.6 |
1355
1320 |
1100 |
990 |
450 |
450 |
130
100 |
220 |
200
165 |
280 |
137
106 |
32
28 |
231 |
50 |
660 |
103 |
500 |
80 |
70 |
1060 |
900 |
65 |
1480 |
160 |
|
6.3~9 |
|
12 |
NAD
630 |
4~5.6 |
1560
1530 |
1260 |
1095 |
500 |
486 |
140
110 |
210 |
200
165 |
330 |
148
116 |
36
28 |
252 |
56 |
740 |
118 |
560 |
90 |
80 |
1200 |
1040 |
75 |
2050 |
140 |
|
6.3~9 |
|
13 |
NAD
710 |
4~5.6 |
1750
1710 |
1360 |
1215 |
560 |
545 |
160
130 |
260 |
240
200 |
330 |
169
137 |
40
32 |
272 |
56 |
810 |
130 |
630 |
90 |
80 |
1320 |
1140 |
75 |
3000 |
180 |
|
6.3~9 |
|
14 |
NAD
800 |
4~5.6 |
1880
1840 |
1560 |
1335 |
630 |
625 |
160
140 |
280 |
240
200 |
380 |
190
148 |
45
36 |
292 |
63 |
870 |
163 |
670 |
100 |
100 |
1500 |
1300 |
80 |
4550 |
220 |
|
6.3~9 |
|
15 |
NAD
900 |
4~5.6 |
2240
2200 |
1750 |
1510 |
710 |
690 |
200
160 |
340 |
280
240 |
450 |
210
169 |
45
40 |
355 |
80 |
940 |
194 |
740 |
100 |
100 |
1680 |
1480 |
80 |
4900 |
350 |
|
6.3~9 |
|
16 |
NAD
1000 |
4~5.6 |
2310
2270 |
1900 |
1680 |
800 |
770 |
220
180 |
360 |
280
240 |
450 |
231
190 |
50
45 |
375 |
80 |
1140 |
160 |
900 |
120 |
120 |
1840 |
1600 |
101 |
6700 |
500 |
|
6.3~9 |
|
17 |
NAD
1120 |
4~5.6 |
2720
2670 |
2120 |
1880 |
900 |
870 |
240
200 |
400 |
330
280 |
540 |
252
210 |
56
45 |
417 |
90 |
1260 |
207 |
1000 |
130 |
120 |
2060 |
1800 |
101 |
10500 |
650 |
|
6.3~9 |
|
18 |
NAD
1250 |
4~5.6 |
2970
2870 |
2340 |
2060 |
1000 |
950 |
280
220 |
450 |
380
280 |
540 |
292
231 |
63
50 |
469 |
100 |
1400 |
225 |
1120 |
140 |
140 |
2280 |
2000 |
110 |
14000 |
890 |
|
6.3~9 |
|
19 |
NAD
1400 |
4~5.6 |
3150
3100 |
2580 |
2280 |
1120 |
1050 |
320
240 |
500 |
380
330 |
540 |
334
252 |
70
56 |
519 |
100 |
1500 |
264 |
1200 |
150 |
150 |
2600 |
2200 |
110 |
16000 |
1200 |
|
6.3~9 |
|
20 |
NAD
1600 |
4~5.6 |
3690
3620 |
2970 |
2560 |
1250 |
1200 |
360
280 |
560 |
450
380 |
680 |
375
292 |
80
63 |
582 |
120 |
1600 |
350 |
1250 |
175 |
180 |
2890 |
2540 |
120 |
23000 |
2000 |
|
6.3~9 |
|
21 |
NAD
1800 |
4~5.6 |
4030
3960 |
3300 |
2860 |
1400 |
1360 |
380
320 |
600 |
450
380 |
680 |
395
334 |
80
70 |
625 |
140 |
1760 |
398 |
1400 |
180 |
200 |
3220 |
2880 |
140 |
31000 |
2500 |
|
6.3~9 |
|
22 |
NAD
2000 |
4~5.6 |
4430
4390 |
3700 |
3190 |
1600 |
1480 |
400
360 |
630 |
540
450 |
680 |
417
375 |
90
80 |
655 |
140 |
1960 |
440 |
1580 |
190 |
220 |
3620 |
3260 |
160 |
45000 |
3200 |
|
6.3~9 | |
  |
|
  |
|